Zum Hauptinhalt springen Zur Suche springen Zur Hauptnavigation springen

Menü

Beschreibung

Produktinformationen "Schüco 211029 Riegel-Fallenschloss"


Lieferumfang je Stück: ein Riegel-Fallenschloss, ohne Zubehör

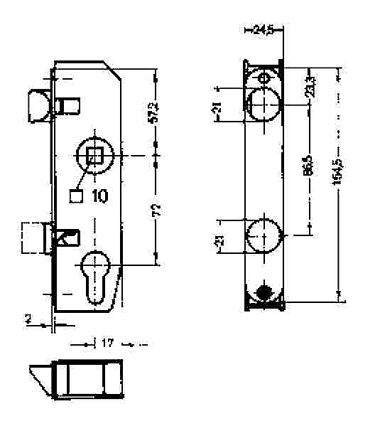
Abmessungen: siehe technische Zeichnung  

Produktmerkmale:
  • Dornmaß: 28 mm
  • Drückernuss: 10 mm
  • DIN-Richtung: links oder rechts
  • Panikfunktion: ohne
  • Verriegelungsart: Einfachverriegelung
  • Selbstverriegelung: nein
  • Überwachung: nein

Weitere Merkmale:        
  • mit Wechsel
  • Riegel 1-tourig, mit 15 mm Ausschluss
  • runder Riegel und runde Falle, Vorstand 5 mm, Oberfläche vernickelt
  • vorgerichtet für Profilzylinder 
  • für Stahl-Alu-Türen 55 x 34 mm 
  • optional elektrischer Türöffner (Herstellerartikel 209012) einsetzbar

Herstellerangaben:
Firma: Schüco
Herstellerartikel: 211029


Hinweis: Wir empfehlen, das Austauschen von Beschlagteilen sowie das Justieren des Fensters/der Tür durch eine Fachkraft vornehmen zu lassen

Eigenschaften

Antipanikfunktion: ohne
Befestigungsachse: symmetrisch
Dornmaß: 28 mm
Drückernuss: 10 mm
Stulp: Flachstulp
Verriegelungsart: Einfachverriegelung
einsetzbar bei: 1-flg. Türen, 2-flg. Türen

Datenblätter 1

Herstellerinformation nach GPSR

SCHÜCO

Angaben zur verantwortliche  Person in der EU (Informationspflichten zur GPSR Produktsicherheitsverordnung):
Schüco International KG
Karolinenstraße 1-15
33609 Bielefeld
Deutschland

Telefon: +49 521 7830
E-Mail: info@schueco.com

Produktgalerie überspringen

Ähnliche Artikel

Schüco 211032 Universal-Riegelschloss
Schüco 211032 Universal-Riegelschloss

Lieferumfang je Stück: ein Universal-Riegelschloss, ohne ZubehörAbmessungen: siehe technische Zeichnung  Produktmerkmale: Dornmaß: 28 mm Drückernuss: 9 mm DIN-Richtung: links oder rechtsPanikfunktion: ohneVerriegelungsart: EinfachverriegelungSelbstverriegelung: nein Überwachung: neinWeitere Merkmale:         Riegel 1-tourig, mit 15 mm Ausschluss runder Riegel, Vorstand 5 mm, Oberfläche vernickelt vorgerichtet für Profilzylinder für Stahl-Alu-Türen 55 x 34 mm entspricht Artikel 211029, jedoch Ausführung ohne FalleHerstellerangaben:Firma: SchücoHerstellerartikel: 211032Hinweis: Wir empfehlen, das Austauschen von Beschlagteilen sowie das Justieren des Fensters/der Tür durch eine Fachkraft vornehmen zu lassen

Regulärer Preis: 84,65 €